防爆PCの受注受付は2025年12月25日までとなります
後継製品につきましてお問合せください
※防爆キーボード・マウスは引き続きご提供可能です
防爆PC・キーボード・マウス
TIIS 国内防爆検定合格製品
爆発や火災が起こり得る危険エリア(防爆エリア)で使用できるPC・キーボード・マウス
防爆エリアでいつもと同じソフト、いつもと同じ操作が出来る!
無線LANにも対応可能(※)
(※)無線LAN対応はオプションです
爆発や火災が起こり得る防爆エリア・危険エリアでの運⽤に最適な、防爆PC・キーボード・マウスです。
Windowsをベースに開発された組込み用OS「Windows 10 IoT Enterprise」を搭載した耐圧・防爆形のPCですので、汎用OSであるWindows用に開発されたアプリケーションやドライバとの互換性が高く(※)、一般的なPCと同じように操作いただけます。
(※)動作検証が必要です
防爆PCの特徴(Zone1対応)
危険エリアで使用できる入力装置は耐圧・防爆形の他にもタッチパネル(タッチスクリーン)方式がありますが、専用ソフトや本質安全バリアが必要となり、操作面で課題があります。
本製品は組込み用OS「Windows 10 IoT Enterprise」を標準搭載した耐圧防爆形です。
Windowsをベースに開発された組込み用OSですので、Windows用に開発されたアプリケーションやドライバがほぼそのまま動作し(※)、キーボード、マウスも本質安全防爆構造のため、普段お使いのPCと同じように誰でも簡単に使用する事ができます。
(※)動作検証が必要です
- Windows用のソフトが使用でき(※)、危険場所でキーボードからのデータ入力ができます。(※要動作検証)
- 安全場所で使用中のソフトを100%継承できます。
- 日本語108キーボード採用で操作性は抜群です。
- OSはWindows 10 IoT Enterprise 2016 LTSB 64bit版を標準搭載。
- モニターは15型TFTカラー液晶を採用
- 低消費電力パソコンを使用しており、省エネ化が計れます。
- 防爆バーコードスキャナー、防爆磁気カードリーダー、防爆ICカードリーダー等の接続により、データ入力が簡略化できます。
- イーサーネットで簡単に上位サーバーとLANが構築でき、リアルタイムに業務処理ができます。(※オプション)
- 無線LAN対応可能!高感度ハイパワーアンテナ搭載で高速無線通信を実現します。(※オプション)
- DC電源装置収納可能
- I/Oボード収納可能
- リレー・タイマー収納可能
- ブザー取付け可能(※オプション)
防爆キーボード・防爆マウスの特徴(Zone0対応)
キーボードによるキー入力操作と、マウスによるポインティング操作ができます。
セットでも単体でもご提供可能です。
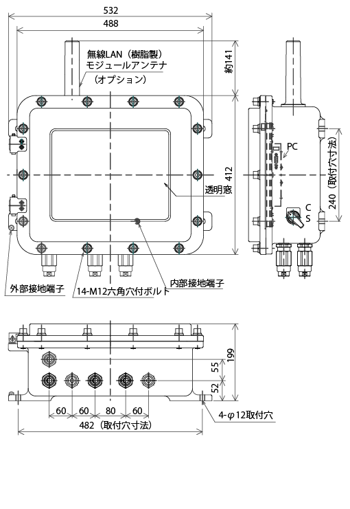
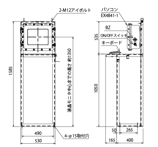
外形図
※画像をクリックすると拡大します
仕様
耐圧防爆形パソコン(無線LAN対応)
| 型式 | EX4841-1 |
| 防爆構造 | Exd ⅡB T4 |
| 検定合格番号 | 第TC21356号 |
| CPU | Intel atom E3845 1.91GB |
| OS | Windows 10 IoT Enterprise 2016 LTSB 64bit版 |
| 起動デバイス | 32GB |
| 補助デバイス | 16GB |
| USB | 6 ポート |
| メモリ | 4GB |
| イーサネット | 1000BASE-T/100BASE-TX/10BASE-T、RJ-45 |
| パラレル | 無 |
| シリアル | RS 232C / USB変換(変換器・ケーブル付) |
| ケーブルグランド | G3/4(M25), G1/2(M20) 最大7個まで |
| 電源 | AC100V |
| 消費電力 | 34W |
| 液晶モニター | 15インチ液晶、最大1619万色 |
| 材質 | アルミ合金鋳物 |
| 重量 | 40Kg(オプション含まず) |
| 塗装色 | 5Y 7/1 (外面のみ) |
| 使用周囲温度 | 0~40℃ |
| 保護性能 | IP55 |
※ 製品の仕様は、予告なく変更になる場合があります。
本質安全防爆形キーボード/マウス(ワイヤレスレーザー)
| 型式 | GIMK270B | |
| 防爆構造 | ia2G3 | |
| 検定合格番号 | N0019:0版 | |
| 無線方式 | 2.4GHz 電波方式(通信範囲約5m) | |
| キーボード (GIKEY270) |
キーレイアウト | 108 日本語レイアウト |
| キー構造 | メンブレンキー構造 | |
| 材質/カラー | ABS樹脂/ブラック | |
| 使用電池 | 単3アルカリ乾電池 x 2本 (LR6XJ パナソニック株式会社) |
|
| 電池寿命 | 約2年 | |
| 重量 | 約470g(電池ボックス含まず) | |
| マウス (GIMA270) |
センサー方式 | オプティカル |
| 解像度dpi | 1,000 | |
| 材質/カラー | ABS樹脂/ブラック | |
| 使用電池 | 単3アルカリ乾電池 x 2本 (LR6XJ パナソニック株式会社) |
|
| 電池寿命 | 約1年 | |
| 重量 | 約52g(電池ボックス含まず) | |
| レシーバー | 接続I/F | USBコネクタ(Aタイプ) |
| 材質/カラー | ABS樹脂/ブラック | |
| 重量 | 約5g | |
| 対応OS | Windows11 | |
| 使用周囲温度 | 0~40℃ | |
| 付属品 | ①キーボード用防塵カバー ②USB中継ケーブル(1m) ③電池ボックス取付板 | |
※ 製品の仕様は、予告なく変更になる場合があります。








